Tự động hóa Khoa Kim – Đại lý phân phối chính thức W-Robot, cung cấp giải pháp tay kẹp điện thông minh cho hệ thống robot công nghiệp và dây chuyền tự động hóa. Tài liệu W-Robot Electric Gripper Selection Manual bao gồm hướng dẫn chọn model theo hành trình, lực kẹp, kiểu lắp, sơ đồ kết nối, và thông số kỹ thuật chi tiết. Tự động hóa Khoa Kim – Nhà phân phối chính thức W-Robot tại Việt Nam.
Cung cấp tay kẹp điện servo chính xác cao cho robot, dây chuyền sản xuất, và hệ thống tự động hóa thông minh.EPGS / EPG Series – Tay kẹp điện (Electric Gripper) chính xác cao cho robot & dây chuyền tự động

Giới thiệu tay kẹp điện W-Robot EPG Series
W-Robot là thương hiệu hàng đầu Trung Quốc chuyên sản xuất các thiết bị chuyển động tuyến tính và tay kẹp điện chính xác cao.
Dòng EPG Series được thiết kế để thay thế cho các xi lanh khí nén truyền thống, mang lại độ chính xác, kiểm soát lực và độ tin cậy vượt trội.
Tay kẹp điện hoạt động dựa trên servo motor kết hợp encoder vòng kín, cho phép điều khiển vị trí – lực kẹp – tốc độ mở/đóng một cách chính xác, ổn định, và hoàn toàn không cần khí nén.
Các dòng tay kẹp điện nổi bật của W-Robot
🔹 EPGS Series – Simple Type Electric Gripper
Dòng EPGS là tay kẹp điện cơ bản, kích thước nhỏ, vận hành đơn giản, điều khiển mở/đóng hai vị trí.
Phù hợp cho các ứng dụng pick & place nhẹ, lắp ráp linh kiện, hoặc thay thế xi lanh khí SMC-16D.
🔹 EPG2 Series – 2-Finger Servo Gripper (Closed Loop)
Dòng EPG2 sử dụng hệ thống điều khiển vòng kín với servo motor, giúp kiểm soát chính xác hành trình và lực kẹp.
Phù hợp cho các ứng dụng cần phản hồi lực thời gian thực.
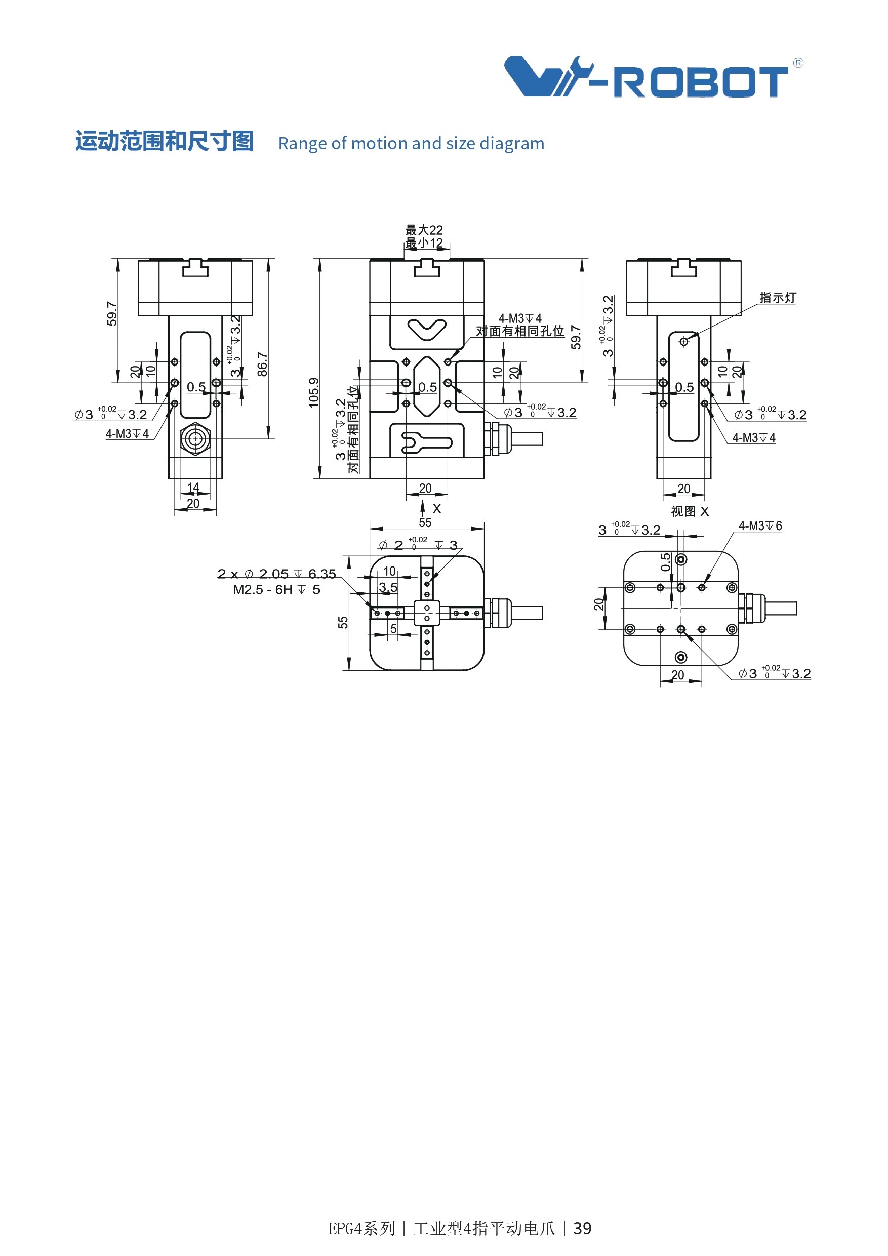
🔹 EPG3 Series – 3-Finger Precision Electric Gripper
Dòng tay kẹp ba ngón EPG3 được thiết kế cho các ứng dụng cần định tâm vật tròn (ống, trục, bi) chính xác cao.
🔹 EPGC Series – Collaborative Robot Gripper
Tay kẹp cho robot cộng tác (cobot) – trọng lượng nhẹ, tích hợp sẵn bộ điều khiển, cắm là chạy.
Thích hợp cho UR, DOBOT, Hanwha, JAKA…
🔹 ERG / ERGD Series – Tay kẹp điện xoay & kẹp 2 trục
Dòng ERG tích hợp chức năng xoay và kẹp đồng thời – sử dụng cơ cấu servo hai trục (dual-axis system).
ERGD là phiên bản nâng cao với động cơ Direct Drive Motor – không khe hở, phản hồi tức thì.
🔹 EPGL Series – Long Stroke, Heavy Duty Gripper
Dòng EPGL có hành trình kẹp dài tới 1200 mm, phù hợp cho vật thể lớn, dạng tấm, ống, hoặc hộp nặng.
Tích hợp động cơ tuyến tính, đạt độ chính xác ±0.02 mm, tốc độ cao.
Ưu điểm nổi bật của tay kẹp điện W-Robot
Ứng dụng thực tế của tay kẹp điện EPG Series
Dòng EPG/EPGS/EPGC được ứng dụng rộng rãi trong các ngành công nghiệp hiện đại:








Tải catalog & hướng dẫn chọn tay kẹp điện W-Robot
Liên hệ tư vấn & báo giá tay kẹp điện W-Robot
Tính năng nổi bật:
W-Robot – Thương hiệu hàng đầu về module tuyến tính, tay kẹp điện, động cơ direct drive, linear motor & giải pháp tự động hóa chính xác cao.
Tính năng nổi bật
W-Robot – Thương hiệu hàng đầu về module tuyến tính, tay kẹp điện, động cơ direct drive, linear motor & giải pháp tự động hóa chính xác cao.
EPGC-50-150 Module tay kẹp Dòng EPGC (Kẹp robot cộng tác)
1 ₫
Mua ngay Gọi điện xác nhận và giao hàng tận nơiHotline 0877900199 (8:00 - 21:00)
Đặt mua EPGC-50-150 Module tay kẹp Dòng EPGC (Kẹp robot cộng tác)

EPGC-50-150 Module tay kẹp Dòng EPGC (Kẹp robot cộng tác)
1 ₫
Bạn vui lòng nhập đúng số điện thoại để chúng tôi sẽ gọi xác nhận đơn hàng trước khi giao hàng. Xin cảm ơn!































































































